Токарный станок своими руками – агрегат не хуже заводского! Как сделать токарный станок своими руками
Самодельный токарный станок по металлу своими руками
ПОДЕЛИТЕСЬВ СОЦСЕТЯХ
Токарный станок нужен для изготовления и обработки металлических деталей. Профессиональное оборудование стоит довольно дорого, поэтому в целях экономии можно изготовить самодельный токарный станок по металлу своими руками. Сделать это можно несколькими способами, а чертежи подобного изделия легко находятся в интернете. Использовать для изготовления можно подручные материалы, размер же станка может быть любым.

Профессиональный токарный станок имеет высокую стоимость, поэтому имеет смысл изготовить подобное устройство самостоятельно
Составляющие мини-токарного станка по металлу своими руками
Любой самодельный токарный станок состоит из следующих элементов:
- привод – основная часть механизма, которая отвечает за его мощность. Выбор привода необходимой мощности является одной из самых сложных задач. В небольших токарных станках по металлу своими руками можно использовать привод от обычной стиральной машины или дрели. Обычно, мощность этого элемента начинается от 200 Вт, а количество оборотов в минуту – от 1500;
- станина – несущая рама конструкции, которая может быть изготовлена из деревянных брусков или стального уголка. Станина должна характеризоваться высокой прочностью, иначе вся конструкция может развалиться от вибраций во время работы;

Проекция и основные узлы токарного станка по металлу
- задняя бабка – изготавливается из стальной пластины и привариваемого к ней стального уголка. Пластина упирается в направляющие станины, а основным назначением задней бабки токарного станка своими руками является фиксация металлической детали при обработке;
- передняя бабка – часть, аналогичная задней бабке, но устанавливающаяся на подвижной раме;
- ведущий и ведомый центры;
- суппорт – упорный механизм для рабочей части.
Вращательный момент от двигателя к рабочей части станка может передаваться несколькими способами. Кто-то предпочитает напрямую устанавливать рабочую часть на вал двигателя – это экономит место и позволяет сэкономить на запчастях. Если же такой вариант невозможен, крутящий момент можно передавать при помощи фрикционной, ременной или цепной передачи. У каждого из этих вариантов есть свои преимущества и недостатки.
Ременная передача для электродвигателя является самой дешевой и характеризуется достаточно высоким уровнем надежности. Для ее изготовления можно использовать ремень для электродвигателя, снятый с любого другого механизма. Недостаток ременной передачи состоит в том, что со временем ремень может стираться и его придется менять тем чаще, чем интенсивнее вы работаете со станком.

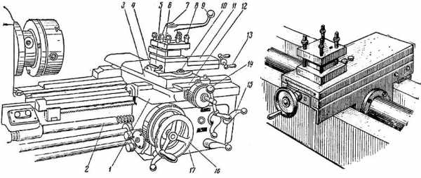
Устройство передней и задней бабки токарного станка. Передняя бабка (слева): 1 — ремень клинообразный; 2 — шкив двухступенчатый; 3 — шпиндель; 4 — подшипник шариковый. Задняя бабка (справа): 1 — корпус; 2 — центр; 3, 6 — рукоятки; 4 — пиноль; 5, 12, 14 — винты; 7 — маховик; 8 — тяга; 9, 10 — рычаги; 13 — гайка
Цепная передача стоит дороже и занимает больше места, но и прослужит значительно дольше, чем ременная. Фрикционная передача имеет промежуточные характеристики между ременной и цепной.
Полезный совет! При сборке токарного станка выбирайте тот тип передачи, который лучше всего будет соответствовать поставленным задачам. Например, для мини-токарного станка своими руками лучше подойдет установка рабочей части непосредственно на вал.
Суппорт токарного станка своими руками: чертежи, как сделать из подручных материалов
Суппорт является одной из самых важных частей самодельного токарного станка – от него зависит качество будущей детали, а также количество времени и сил, которые вы потратите на ее изготовление. Эта часть располагается на специальных салазках, которые перемещаются по направляющим, расположенным на станине. Суппорт может двигаться в трех направлениях:
- продольное – рабочая часть станка двигается вдоль заготовки. Продольное движение используется для вытачивания резьбы в детали или для снятия слоя материала с поверхности металлической заготовки;

Токарный станок по металлу, созданный своими руками
- поперечное – движение перпендикулярно оси заготовки. Используется для вытачивания углублений и отверстий;
- наклонное – движение под разными углами для вытачивания углублений на поверхности заготовки.
При изготовлении суппорта токарного станка своими руками стоит учитывать тот момент, что данная часть подвержена износу в результате возникающих во время работы вибраций. Из-за них крепления расшатываются, возникает люфт, все это влияет на качество изготавливаемой детали. Для того чтобы избежать таких неполадок, суппорт необходимо регулярно подстраивать и регулировать.
Регулировка самодельного суппорта для токарного станка своими руками осуществляется по зазорам, люфту и сальникам. Регулировка зазоров нужна в том случае, когда износился винт, отвечающий за перемещение части в продольной и поперечной плоскостях. В результате трения суппорт начинает расшатываться при нагрузках, что значительно снижает точность изготовления детали. Устранить зазоры можно путем вставки клиньев между направляющими и кареткой. Люфт детали устраняется при помощи закрепляющего винта.
Если же в вашем станке износились сальники, их следует тщательно промыть и пропитать свежим машинным маслом. В случае критического износа сальники лучше полностью заменить на новые.

Устройство суппорта: 1 — каретка суппорта; 2 — ходовой винт; 3 — поперечные салазки суппорта; 4 — поворотная часть суппорта; 5 — направляющие поворотной части; 6 — резцедержатель; 7 — винт для закрепления резцедержателя; 8 — винты для закрепления резцов; 9 — рукоятка для поворота резцедержателя; 10 — гайки; 11 — верхняя часть суппорта; 12 — поперечные направляющие каретки; 13 — рукоятка для перемещения верхней части суппорта; 14 — рукоятка для перемещения поперечных салазок; 15 — рукоятка для включения подачи суппорта от ходового винта; 16 — маховичок для продольного перемещения суппорта; 17 — фартук
Самодельный токарный станок по металлу своими руками: порядок сборки
Сборка механизма выполняется в следующем порядке:
- Из металлических балок и швеллеров собирается рама станка. Если вы собираетесь работать с большими деталями, то и материалы для сборки рамы нужно использовать с расчетом на большую нагрузку. К примеру, если планируется работать с металлическими заготовками длиной свыше 50 мм, толщина материалов для рамы должна начинаться от 3 мм для уголков и от 30 мм – для стержней.
- На швеллеры устанавливаются продольные валы с направляющими. Валы могут быть приварены при помощи сварки или закреплены болтами.
- Изготавливается передняя бабка. Для изготовления передней бабки токарного станка своими руками используется гидравлический цилиндр с толщиной стенок от 6 мм. В цилиндр необходимо запрессовать два подшипника.
- Прокладывается вал. Для этого используются подшипники с большим внутренним диаметром.
- В гидравлический цилиндр заливается смазывающая жидкость.
- Устанавливается шкив и суппорт с направляющими.
- Монтируется электропривод.
Кроме того, по чертежам токарного станка по металлу своими руками видно, что для повышения устойчивости резцового механизма изготавливается подручник, а на нижней части конструкции закрепляется тонкая полоса металла. Последняя служит для защиты рабочей части станка от деформации в процессе работы.

Устройство самодельного токарного станка для обработки металла: 1, 7 — швеллеры; 2 — ходовая труба; 3 — задняя бабка; 4 — поддон для сбора стружки; 5 — суппорт; 6 — ходовой винт; 8 — электрический двигатель; 9 — неподвижная передняя бабка; 10 — лампа в защитном колпаке-отражателе; 11 — сетчатый экран для защиты токаря от стружки; 12 — опора
Полезный совет! Токарный станок по металлу, собранный своими руками, может быть использован не только по прямому назначению, но и для шлифовки и полировки металлических деталей. Для этого к электрическому валу присоединяется шлифовальный круг.
Выбор электродвигателя для станка
Самой важной частью самодельного токарного станка по металлу, видео изготовления которого можно легко найти в интернете, является электромотор. Именно с его помощью осуществляется движение рабочей части станка. Соответственно, от мощности этого механизма зависит мощность всей конструкции. Она выбирается в зависимости от размеров металлических заготовок, с которыми вы планируете работать.
Если вы планируете работать на станке с мелкими деталями, для этого вполне подойдет мотор с мощностью до 1 кВт. Его можно снять со старой швейной машинки или любого другого подобного электроприбора. Для работы с крупными запчастями вам понадобится двигатель с мощностью в 1,5-2 кВт.
При сборке по готовым чертежам самодельного токарного станка по металлу учитывайте, что все электрические части конструкции должны быть надежно изолированы. Если у вас нет необходимого опыта работы с электрическим оборудованием, лучше обратиться за помощью по подключению к специалисту. Так вы будете уверены в безопасности работы и надежности конструкции.

Асинхронный двигатель является оптимальным вариантом для самодельного токарного станка
Изготовление токарного станка из дрели своими руками
Если вы хотите сэкономить на запчастях и значительно упростить себе задачу по сборке самодельного токарного станка, в качестве привода можно использовать обычную электрическую дрель. У такого конструктивного решения есть ряд преимуществ:
- Возможность быстрой сборки и разборки конструкции – дрель легко отсоединяется от станины и может быть использована по прямому назначению.
- Простота переноса и транспортировки станка – хороший вариант, если вам приходится работать с металлическими заготовками в гараже и на улице.
- Экономия – дрель выступает не только в качестве электродвигателя, но и избавляет от необходимости использовать передачу, а также позволяет использовать сменные насадки в качестве рабочего инструмента.
Конечно, есть и отрицательные стороны у токарного станка из дрели. Как сделать обработку с помощью данного инструмента крупных деталей возможной? Это практически неосуществимо, так как у дрели относительно небольшой крутящий момент и большое число оборотов. Конечно, можно повысить эти параметры, если все-таки установить ременную передачу и с ее помощью передавать вращающий момент от дрели на шпиндель, но это в значительной мере усложнит конструкцию, главным преимуществом которой является простота и компактность.

Схема устройства самодельного токарного станка на основе дрели: 1 — крепления к столу или верстаку; 2 — передняя опора; 3 — опора под заготовку; 4 — задняя опора
Изготовление самодельного настольного токарного станка по металлу на основе дрели имеет смысл в тех случаях, когда у вас нет необходимости в проведении масштабных работ, а вытачивать нужно только мелкие детали.
Для изготовления токарного станка по металлу на основе электродрели вам понадобятся те же детали, что и для обычной конструкции за исключением электродвигателя и передней бабки. Роль последней также выполняет дрель. Учитывая компактность конструкции, в качестве станины может использоваться обычный стол или верстак, на котором будут фиксироваться все составляющие станка. Сама дрель закрепляется в конструкции при помощи хомута и струбцины.
Полезный совет! Функциональность токарного станка на основе электродрели можно существенно расширить, если добавить к его конструкции различные насадки и дополнительные приспособления.
С помощью самодельного токарного станка можно не только вытачивать детали, но и наносить на вращающуюся заготовку краску, осуществлять намотку проволоки на трансформатор, делать на поверхности детали спиральные насечки и выполнять многие другие действия. Кроме того, если собрать для станка приставку-копир, то с ее помощью можно быстро и без особых усилий производить небольшие одинаковые детали.

Чертеж передней опоры, внутри которой закрепляется дрель
Особенности работы токарных станков по металлу своими руками, видео-инструкции как способ избежать ошибок
Как и у любого другого оборудования, у самодельных токарных станков есть свои особенности, которые необходимо учитывать при сборке и эксплуатации. К примеру, при работе с крупными деталями или при использовании мощного электродвигателя возникают сильные вибрации, которые могут привести к серьезным погрешностям при обработке детали. Чтобы избавиться от вибраций, ведущий и ведомый центры станка необходимо устанавливать на одной оси. А если планируется устанавливать только ведущий центр, к нему должен крепиться кулачковый механизм.
В настольных токарных станках своими руками по металлу не рекомендуется устанавливать коллекторный двигатель. Он склонен к самопроизвольному увеличению числа оборотов, что может привести к вылету детали. Это, в свою очередь, может привести к производственным травмам или порче имущества. Если же без установки коллекторного двигателя никак не обойтись, в комплекте с ним обязательно нужно устанавливать редуктор для понижения оборотов.
Идеальным вариантом двигателя для самодельного токарного станка является асинхронный. Он не увеличивает частоту оборотов во время работы, устойчив к большим нагрузкам и позволяет работать с металлическими заготовками с шириной до 100 мм.

Самое главное при работе на токарном станке — соблюдение техники безопасности
Правила установки и эксплуатации любого типа электродвигателя для токарного станка можно посмотреть в многочисленных видео-инструкциях в интернете. С их помощью вы не только избежите распространенных ошибок при сборке, но и сэкономите время и силы благодаря наглядности материала.
Техника безопасности при работе с самодельным токарным станком
При работе с конструкцией следует соблюдать определенные меры безопасности. Так, после сборки станка нужно осуществить проверку его работоспособности. Шпиндель должен вращаться легко и без задержек, передний и задний центры должны быть выровнены по общей оси. Центр симметрии вращающейся детали должен совпадать с осью ее вращения.
На любом видео токарного станка своими руками видно, что после монтажа электродвигателя он накрывается специальным кожухом. Последний служит не только для защиты оператора станка, но и для защиты самого мотора от попадания пыли, металлических частиц и грязи. Для станка, изготовленного на основе электродрели, такой кожух не нужен.
Полезный совет! Если вы планируете монтаж конструкции на основе мощного электродвигателя, то обязательно убедитесь в том, что для работы с ним хватает мощности вашей электросети. В домашних условиях лучше обойтись мотором от бытовой техники, который точно будет работать от напряжения в вашей розетке.

Пример токарного станка по металлу, собранного своими руками
Также следует придерживаться следующих правил безопасности:
- Рабочий инструмент обязательно должен располагаться параллельно поверхности обрабатываемой заготовки. В противном случае он может соскочить, что приведет к поломке станка.
- Если вы обрабатываете торцевые плоскости, деталь должна упираться в заднюю бабку. При этом очень важно соблюдать центровку, иначе вы рискуете получить бракованную деталь.
- Для защиты глаз от металлических стружек и частиц можно соорудить специальный щиток или просто пользоваться защитными очками.
- После работы конструкцию обязательно нужно чистить, удаляя металлические опилки и другие отходы производства. Внимательно следите за тем, чтобы мелкие части не попадали в электродвигатель.
Варианты модернизации самодельного токарного станка
Если вам нужен механизм, который сможет не только выполнять токарные работы, но и шлифовать, и красить заготовку, базовый станок можно легко модифицировать. Лучше всего делать это для конструкции на основе электродрели, так как заменить рабочую часть в ней проще всего.

Токарный станок может быть многофункциональным устройством в мастерской, с помощью которого можно выполнять различные работы, в том числе бытовые: заточку ножей, ножниц и пр.
Существует несколько популярных модификаций токарного станка по металлу. Как сделать конусообразное отверстие? Для этого к основанию необходимо прикрепить два напильника таким образом, чтобы они образовывали трапецию. После этого монтируется пружинный механизм, который обеспечивает подачу напильников вперед и под углом, что позволяет сверлить в детали конусообразные отверстия.
Кроме того, для работы с металлическими деталями разной длины можно сделать станок с разборной основой. При помощи нескольких досок или металлических уголков можно приближать или отдалять рабочий инструмент к креплениям, удерживающим деталь, а также менять размер зазора между креплениями. Удобнее всего делать такую конструкцию на основе обычного стола или верстака.
Если прикрепить к электродвигателю в качестве рабочего инструмента шлифовальный круг, при помощи станка можно заниматься не только полировкой поверхности детали, но и заточкой ножей, ножниц и других бытовых инструментов. Таким образом, токарный станок превращается в удобный многофункциональный механизм.

Создание токарного станка своими руками позволит получить оборудование, оптимально подходящее под нужды владельца
Сборка токарного станка в домашних условиях является достаточно простой задачей, которую еще больше упрощают многочисленные видео-инструкции и чертежи из интернета. При этом собрать конструкцию можно буквально из подручных частей, используя для этого старую бытовую технику и отходы монтажного и строительного производства.
Основное преимущество самостоятельной сборки – это экономия средств. Кроме того, стоит отметить возможность самостоятельно регулировать габариты и мощность устройства, чтобы приспособить его под свои нужды. Самодельный станок может быть не только большим, но и совсем миниатюрным, предназначенным для обработки мелких деталей.
remoo.ru
Токарный станок по металлу своими руками: настольный, мини
Правильно собранные токарные станки по металлу своими руками, дадут возможность тем мужчинам, которые предпочитают все делать самостоятельно, выполнять множество полезных операций.
С помощью такого мини устройства можно проводить различные виды обработки металлических заготовок, начиная от накатки рельефа на поверхности и заканчивая нарезанием при необходимости резьбы.
Настольный токарный станок по металлу открывает новые возможности перед домашним мастером и позволяет ему превратить работу в удовольствие.
Между тем, не каждому по карману приобрести уже готовое устройство в специализированном магазине.
В этом случае выходом их положения может стать сборка такого мини станка своими руками, и сделать это, при наличии желания, соответствующего материала и инструмента, сможет каждый.
Самодельное токарное устройство отлично подойдет для гаража и дома и сможет выполнять большой объем соответствующей работы, такой как заточка резцов, нарезание резьбы, шлифование поверхности какого-либо металлического приспособления и многое другое.
Самодельный токарный станок по металлу, который можно увидеть на фото ниже, собранный по всем правилам, ни в чем не будет уступать профессиональному оборудованию.

Основное предназначение станка
Токарный агрегат способен выполнять огромное количество самых полезных функций, без которых сложно представить любую металлообработку.
Современные устройства данного типа способны работать практически с любым материалом, начиная от металла и дерева, и заканчивая пластиком.
Такой агрегат дает возможность производить множество операций. В первую очередь, при помощи него можно получить из заготовки готовую деталь заданных размеров и формы.
Кроме этого, при его помощи растачивается инструмент, обрабатывается деталь, сверлятся технологические отверстия, нарезается резьба, а также накатывается рифленая поверхность.
В настоящее время на соответствующем рынке можно найти огромный выбор данного типа оборудования, однако, в большинстве случаев все оно предназначено не для гаража и домашней работы, а для профессионального использования на предприятиях.
В качестве домашнего приспособления лучше всего такое мини устройство собрать своими руками, которое сможет работать как с металлом, так и с деревом.
Конечно, для самостоятельной сборки потребуются определенные навыки, соответствующая оснастка и инструмент, а также некоторые другие приспособления.
Лучше всего, если собранный своими руками мини токарный агрегат позволит обрабатывать мелкие деревянные заготовки, например, при необходимости отремонтировать мебель, а также работать с металлом.
При помощи данного устройства можно со временем научиться самостоятельно изготавливать различный кухонный инвентарь и интересные предметы мебели с изящными элементами декора.
Токарный агрегат позволяет быстро создать детали самого разного сечения, а также выточить всевозможные приспособления.
Видео:
Принцип работы любого токарного оборудования заключается в том, что заготовке придается вращательное движение, после чего она обрабатывается до необходимой формы различным типом резцов.
Между тем, настольный токарный станок по металлу, собранный в домашних условиях, представляет собой достаточно сложный агрегат, который состоит из множества самых разных приспособлений и элементов.
История создания
Первые устройства, которые по принципу своей работы напоминали современные токарные агрегаты, появились на свет несколько тысяч лет назад.
Такие приспособления использовались, главным образом, для обработки камня и дерева. Чуть позже их стали использовать и для работы с металлическими заготовками.
Токарное устройство в современном его понимании появилось в начале восемнадцатого века.
Его изобретателем стал инженер Нартов, который использовал в своем агрегате детали, которые были произведены из металла.
Между тем, первые токарные устройства приводились в движение за счет ручной силы при помощи специального маховика.
Со временем привод трансформировался в автоматический, и необходимое вращательное движение создавалось посредством трансмиссионного вала и передавалось через ременчатые передачи.
С появлением электрических двигателей основным приводом токарного станка стал именно электродвигатель, который используется в данном типе оборудования и в наше время.
Как и раньше, современный токарный агрегат состоит из набора определенных механизмов и элементов, которые особым образом взаимодействуют между собой.
Его оснастка включает в себя самые разные элементы.
Так, количество оборотов шпинделя раньше регулировали за счет использования ступенчато-шкивного привода, а сегодня эта операция осуществляется при помощи коробки передач.
Модернизация с течением времени затронула абсолютно все узлы токарного станка, однако схема и принцип его работы и сегодня остались такими же, как и много лет назад.
Фото:
Практически все виды обработок заготовок производятся при помощи металлических резцов, изготовленных из высококачественной стали.
Современная оснастка токарного станка позволяет многие операции выполнять более качественно и быстро, а это значит, что функциональные возможности такого оборудования увеличились в несколько раз.
Устройство токарного станка
Мини токарный станок, который можно использовать для обработки несложных деревянных и металлических заготовок, должен обязательно состоять из рамы, передней и задней бабки, а также упоров для резцов и, конечно же, электропривода.
Основное предназначение рамы в этом случае — это создание опоры для всех элементов устройства.
В свою очередь передняя бабка должна быть жестко закреплена и служить основной базой для устройства вращательного узла.,

Передаточный механизм в таком агрегате, как правило, располагается в передней части рамы и обеспечивает надежную связь между ведущим центром и основным приводом, в качестве которого выступает электромотор.
Для того чтобы прочно фиксировать обрабатываемую заготовку, устанавливают заднюю бабку, которая может перемещаться по направляющей в зависимости от размеров обрабатываемой детали.
Для токарного станка с небольшой мощностью можно в качестве электропривода использовать мотор от дрели.
Такой мини станок даст возможность производить несложные операции с небольшими заготовками, однако, если планируется работа с массивным материалом, лучше использовать более мощный мотор.
Устройство для передачи необходимого вращательного момента непосредственно на заготовку лучше оснастить ременной передачей, однако, можно выполнить и прямое подключение, для чего ведущий центр следует прочно насадить на сам вал электродвигателя.
В любом токарном станке ведомый и ведущий центры в обязательном порядке должны размещаться только на одной оси, в противном случае при работе будет наблюдаться сильная вибрация.
Раму самодельного токарного станка следует собирать только из металлических профилей и уголков, используя при этом правильно составленный чертеж.
Более подробно об устройстве самодельного токарного станка рассказано на видео, которое размещено ниже.
Видео:
Процесс сборки токарного станка
Собранный своими руками станок позволит выполнять в домашних условиях достаточно сложные операции, кроме этого, при помощи него может быть осуществлена при необходимости заточка различных заготовок.
Легче всего своими руками собрать станок лучкового типа, схема работы которого не слишком сложная. Для его сборки потребуется не только соответствующий материал, но и инструмент, а также чертеж.
Подготовив для работы инструмент и материал, следует изготовить из дерева стойки и прикрутить к ним болты.
Стойки должны иметь жесткую конструкцию и не расшатываться при работе агрегата.
Для укрепления деревянных стоек, а также резцов, рекомендуется использовать подручник, который можно изготовить из двух досок. Подручник для резцов должен иметь возможность свободно вращаться.
При изготовлении своими руками всех элементов станка следует использовать только профессиональный инструмент.
На видео, которое размещено ниже, рассказано о том, какой инструмент необходим для работы и как самостоятельно собрать токарный станок, при помощи которого может выполняться как заточка заготовок, так и многие другие операции.
Видео:
У нижней дощечки самодельного агрегата рекомендуется сделать угол скошенным, кроме этого, его следует укрепить полоской железа, что поможет предотвратить деформацию стамески резцов в процессе движения.
Для того чтобы фиксировать заготовку, которую необходимо обработать, используют гайки, которые должны не только прочно ее укрепить, но и дать возможность двигаться в заданном направлении под ход резцов.
Следует также хорошо продумать и об устройстве электродвигателя, при помощи которого будет производиться необходимая заточка заготовки.
Для этих целей можно использовать небольшой двигатель с малой мощностью. Он позволит производить несложную обработку самых разных заготовок.
Также, используя соответствующий инструмент, данный агрегат можно дополнительно оснастить насадкой под шлифовальные круги, что еще больше расширит его возможности.
Кроме этого, рекомендуется продумать и установку переходника под сверлильный патрон.
Более подробно о том, как имея под рукой весь необходимый инструмент и материал, собрать своими руками станок, рассказано на видео, размещенном ниже.
stroyremned.ru
Токарный станок своими руками – агрегат не хуже заводского!
Для того чтобы сделать токарный станок своими руками, домашнему умельцу понадобится разобраться с механизмом его действия, подготовить некоторые материалы и запастись терпением, необходимым для сборки самодельной конструкции, которая позволит обрабатывать разнообразные металлические изделия.
1 Зачем нужна самодельная токарная установка?
Ни один мужчина не откажется от того, чтобы в его доме либо квартире имелся небольшой по размерам токарный станок. Ведь с его помощью можно выполнить множество операций, связанных с обработкой деталей из металла, начиная от накатки рифленой поверхности и расточки отверстий, и заканчивая нарезанием резьбы и приданием наружным поверхностям деталей заданных форм.

Рекомендуем ознакомиться
Конечно, можно попытаться приобрести заводской токарный агрегат. Но такая покупка не каждому по карману, да и поместить производственный станок в обычном жилище бывает практически нереально из-за того, что оборудование для токарной обработки металлов занимает много места. Отличной альтернативой приобретению громоздкого и неудобного заводского станка является изготовление своими руками простой и при этом функциональной токарной установки.
Самодельный токарный станок по металлу, собранный по всем правилам, будет иметь несложное управление, занимать минимум места, отличаться простотой работы. При этом на нем вы сможете без проблем обрабатывать различные металлические и стальные изделия небольших геометрических размеров, став настоящим домашним мастером.
2 Устройство и механизм действия самодельного станка
Перед тем, как приступить к созданию токарного агрегата для бытового использования, нелишним будет узнать об его основных узлах и механизме действия подобного оборудования. Элементарный станок состоит из следующих частей:
- две бабки;
- рама;
- два центра: один из них является ведомым, другой – ведущим;
- упор для рабочего режущего инструмента;
- электрический привод.
Механизмы станка устанавливаются на станину (в самодельном агрегате ее роль выполняет рама). Вдоль этой основы агрегата передвигается задняя бабка. Передняя бабка необходима для размещения базового узла вращения оборудования, она выполняется неподвижной. В станине монтируется и передаточное устройство, соединяющее ведущий центр с электродвигателем. Через данный центр происходит передача требуемого вращения обрабатываемой заготовке.

Станина "домашнего" станка обычно выполняется из деревянного бруса, также можно использовать уголки или профили из стали (металла). Не имеет значения, какой именно материал для рамы вы выберете, главное, чтобы он жестко фиксировал центры установки.
На самодельный токарный агрегат допускается устанавливать практически любой электрический мотор, даже совсем небольшой по мощности, но при этом стоит понимать, что его технических характеристик может не хватить для качественной обработки деталей, особенно, если речь идет о металлообрабатывающем аппарате. Малая мощность электродвигателя не позволит работать с металлом, а вот с деревянными заготовками способен справиться даже мотор мощностью около двухсот ватт.

Вращение в самодельных станках может сообщаться посредством цепной, фрикционной либо ременной передачи. Последняя из указанных применяется чаще всего, так как она характеризуется максимальной надежностью. Кроме того, имеются и такие конструкции агрегатов, сделанных самостоятельно, в коих передаточного устройства и вовсе не предусмотрено. В них ведущий центр или патрон для крепления рабочего инструмента размещается непосредственно на валу электромотора. Видео работы подобного агрегата можно без труда найти в интернете.
3 Некоторые конструктивные особенности «домашних» токарных станков
Для предотвращения вибрации обрабатываемых деталей следует монтировать ведущий и ведомый центр на одной оси. Если вы планируете изготовить станок всего с одним центром (с ведущим), в конструкции такого оборудования нужно будет предусмотреть возможность крепления изделия кулачковым патроном либо планшайбой.
Специалисты не советуют устанавливать на самодельные токарные агрегаты электродвигатели коллекторного типа. Их обороты при отсутствии рабочих нагрузок могут повышаться без команды оператора, что приводит к вылету детали из элементов крепления. Понятно, что такая "летающая" заготовка способна наделать много бед в ограниченном пространстве – в квартире или в частном гараже.

Если вы все же планируете установить именно коллекторный мотор, позаботьтесь об оснащении его специальным редуктором. Этот механизм исключает опасность возникновения бесконтрольного разгона обрабатываемых на станке деталей.
Оптимальным видом привода для самодельного агрегата является обычный асинхронный двигатель. Он характеризуется высокой устойчивостью при нагрузках (неизменная частота вращения) и обеспечивает качественную обработку деталей шириной до 70 и сечением до 10 сантиметров. В целом же, вид и мощность электродвигателя нужно подбирать так, чтобы изделие, подвергаемое токарной обработке, получало достаточное усилие вращения.

Ведомый центр, который, как было отмечено, находится на задней бабке, может выполняться неподвижным либо вращающимся. Его делают из стандартного болта – нужно лишь заточить под конус окончание его резьбового участка. Болт обрабатывается машинным маслом и вставляется в резьбу (внутреннюю), вырезанную в задней бабке. Его ход должен равняться примерно 2,5–3 сантиметрам. Вращение болта дает возможность прижимать между двумя центрами агрегата обрабатываемую деталь.
4 Процесс самостоятельного изготовления агрегата для токарных работ
Далее мы расскажем о том, как смастерить самодельный токарный станок лучкового типа, а также предоставим видео этого несложного процесса. С помощью такой установки вы сможете обтачивать изделия из металла и иных материалов, выполнять заточку ножей и прочих режущих приспособлений. Агрегат, кроме всего прочего, станет вам лучшим помощником в тех случаях, когда вы сами занимаетесь ремонтом своего легкового автомобиля.
Для начала нам потребуется выпилить две прочные стойки из древесины и присоединить к ним при помощи гаек болты. К ним будет крепиться станина самодельного станка, которую также можно сделать из дерева (если есть возможность, лучше использовать для рамы какой-либо сортовой металл – стальной уголок либо швеллер).
Обязательно нужно сделать специальный подручник, который увеличивает уровень устойчивости резца для токарной обработки металлических деталей. Подобный подручник представляет собой конструкцию из двух склеенных под прямым углом (или соединенных небольшими винтиками) дощечек. Причем на нижнюю доску крепят полоску из тонкого металла, необходимую для предохранения рабочего инструмента от изменения его формы в процессе вращения. В дощечке, стоящей горизонтально, вырезают прорезь, которая дает возможность управлять движениями подручника.
С изготовлением задней и передней бабки у вас проблем быть не должно – суть понятна, а если возникнут какие-либо затруднения, можно посмотреть видео в интернете, где данный процесс показан и описан весьма подробно. Патроны бабок, как правило, делают из готовых цилиндров, подходящих по сечению к общей конструкции станка, или посредством сваривания листового железа.

5 Советы по выбору силового оборудования для станка
Раму самодельной установки желательно установить на дюралюминиевую основу, надежно скрепить станину с ней, смонтировать все узлы станка (их не так уж и много). После этого принимаемся за силовой узел нашего оборудования. Прежде всего, выбираем подходящий электрический двигатель. Для обработки металлических изделий он должен быть достаточно мощным:
- если планируется работать с мелкими деталями – от 500 до 1000 ватт;
- для работы с более "масштабными" заготовками – от 1500 до 2000 ватт.
Для "кустарного" токарного оборудования подходят моторы от старых швейных и стиральных машинок, а также двигатели с другого оборудования. Здесь решайте сами, какой привод вы можете смонтировать на самодельный агрегат. К электрическому двигателю подключают пустотелый стальной вал (головка шпинделя), используя ременную либо другую передачу. Этот вал соединяется со шкивом, который крепится на шпонке. Шкив нужен для крепления рабочего инструмента.

Силовые механизмы вы можете подключать самостоятельно, но лучше привлечь к этой операции специалиста-электрика. В этом случае вы будете точно уверены, что ваша токарная установка обеспечит полную электробезопасность выполнения токарных работ. После сборки станок готов к применению. Если же вам потребуется впоследствии расширить его эксплуатационные возможности, сделать это несложно.
Так, например, на выступающий торец вала двигателя можно насаживать абразивные либо шлифовальные круги, и с их помощью осуществлять шлифование металла, его полировку, а также высококачественную заточку бытового инструмента. При желании нетрудно сделать или приобрести переходник особого вида, оснащенный патроном для сверления металлов. Его можно крепить к указанному выше валу и выполнять фрезерование пазов в разнообразных деталях и сверление отверстий.
Наслаждайтесь работой на своем собственном самодельном токарном мини-центре!
tutmet.ru
Мини токарный станок по металлу своими руками
Мечта каждого самодельщика, моделиста и домашнего мастера — токарный станок. Все, кто успел совершить приватизацию социалистического имущества, сегодня имеют огромнейшие бонусы в виде токарных станков, сверлильных и прочих средств малой механизации у себя в гаражах и мастерских. Кто не смог — приходится делать станки своими руками, поскольку минимальная стоимость маленького средненького токарненького китайского станка соответствует годовой зарплате нашего недепутата. Выход один — делать станок своими руками, чем сейчас мы и займемся.
Содержание:
- Настольный токарный станок, основные узлы
- Параметры, преимущества и недостатки настольного токарного станка
- Обработка на токарных станках, схемы и чертежи
- Точность и производительность самодельного станка
Настольный токарный станок, основные узлы

Мини токарный станок по металлу своими руками выполняется на основе того, что было сделано в условиях производства, но в силу тех или иных причин уже не служит по прямому предназначению. Это значит, что основные узлы и агрегаты мини станка придется брать от других устройств, совершенно к этому не приспособленных, адаптировать их и использовать всю свою смекалку.

Так, основными деталями токарно-винторезного или токарно-фрезерного станка должны быть:
- станина, прочная металлическая конструкция, обеспечивающая устойчивость и прочность всей конструкции;
- направляющие для токарного станка — настоящая головная боль самодельщика, потому что они должны иметь точность и стабильность, направляющие как продольные, так и поперечные;
- привод токарного станка;
- рабочий орган — режущая часть, система крепления и регулировки подачи резцов;
- шпиндель и задняя бабка — для крепления и удержания детали во время обработки;
- средства безопасности — защита от самопроизвольного включения, защита от стружки.

Собственно, это только основные части настольного токарного станка, которые предстоит сделать или подобрать из того, что есть под руками.

Параметры, преимущества и недостатки настольного токарного станка

Мини токарные станки по обработке металла отличаются от деревообрабатывающих станков радикально. Дело в том, что вся конструкция станины и направляющих должна выдерживать довольно большие нагрузки, которые подразумевает обработка металла резанием. При этом станок должен обеспечивать точность подачи и скорость обработки, что очень важно при обработке металлов разной твердости.

Основные параметры токарного станка, который будет выполнен своими руками — линейные размеры, мощность и точность обработки. Мы сейчас не говорим о конкретном станке, поскольку каждый ставит задачи самостоятельно, а в представленных на странице чертежах и схемах можно найти подходящий для себя вариант. Мы говорим об идее создания инструмента в принципе и его основных параметрах.

Так, в зависимости от того, на каком расстоянии от направляющих будет находиться центр шпинделя и задней бабки, будет определяться диаметр обрабатываемой детали. Длина же обрабатываемой детали фактически зависит от степени свободы перемещения задней бабки по направляющим. То же самое и с подающим устройством, которое должно соответствовать размерам максимального диаметра обрабатываемой детали.

Но нужно быть готовым к тому, что самодельный токарный станок не сможет обеспечить высокую точность обработки и высокую скорость. Это будет устройство для выполнения деталей с невысоким классом точности. От чего это зависит, разберемся дальше.

Обработка на токарных станках, схемы и чертежи

Вкратце о системе управления токарных станков можно сказать, что если позволяют знания и навыки в инженерном радиомоделировании, всегда можно сделать простейший токарно-винторезный или токарно-фрезерный станок с числовым программным управлением. Станки токарные с ЧПУ позволяют автоматизировать однотипную работу и они нужны в том случае, если мастеру приходится делать большое количество одинаковых заготовок по шаблону.

В основной массе, настольные станки предназначены для выполнения разовых работ, поэтому применение сложных систем программирования едва ли оправдано на станках с низкой степенью точности.
Точность и производительность самодельного станка

В том случае, если стоит задача по созданию станка для обработки металлов резанием с высокой степенью точности, нужно особое внимание уделять направляющим и станине. Многие выполняют конструктивные элементы из дерева, это веселое бюджетное решение, но такой станок не обеспечит нужной точности просто потому, что материал станины и направляющих должен быть тверже, чем обрабатываемая деталь.

Поэтому все станины и направляющие для токарных станков по металлу выполняются только из металла. Желательно использовать заводские направляющие, но если такой возможности нет, что бывает чаще всего, тогда приходится использовать металлопрокат, как в том примере, который мы привели из древнего английского журнала.То есть все детали, которые отвечают за точность и прочность, должен быть выполнены в условиях производства, как например этот вариант, где в качестве центрирующих элементов использованы автомобильные шатуны.

Выполнение токарного станка по металлу — работа творческая и неспешная. Нужно сто раз продумать все детали, начертить пару десятков чертежей и только потом приступать к изготовлению станка в металле. Но в любом случае прямые руки и смекалка приведут к успешному созданию практичного и функционального токарного станка. Успехов на ниве малого машиностроения!
Читайте также Электролобзики — обзор, цены
nashprorab.com
Как изготовить токарный станок по металлу своими руками
Токарный станок необходим для производства и обработки деталей из металла. Заводские устройства стоят очень много средств. Именно поэтому для большей экономии стоит сделать токарный станок с резцом, чтобы обрабатывать железо своими руками. Быстро собрать его можно несколькими методами, а качественные чертежи и видео стоит поискать в сети. Применять для сборки можно любые имеющиеся в наличии материалы, а габариты станка зависят от производственных нужд.
Основные узлы небольшого токарного станка
Токарный станок, качественно изготовленный своими руками, всегда состоит из таких деталей:
Привода, который является главной деталью устройства и отвечает за его максимальную мощность. Покупку привода нужной мощности можно считать наиболее тяжелой задачей. В маленьких изделиях по обработке металла можно применять привод от простой стиральной машинки или электрической дрели. Рабочая мощность этой детали составляет около 250 ватт, а число оборотов за минуту не превышает 1600.- Станины, которая является несущей рамой изделия. Она собирается из металлических уголков или брусков из дерева. Станина должна отличаться большой прочностью, в противном случае устройство способно поломаться от вибрации при работе.
- Задней бабки, которая делается из железной пластины и закрепленного на ней уголка из металла. Такая пластина упирается в специальные направляющие на рабочей станине. Главной задачей задней бабки станка считается надежная фиксация железной детали в процессе обработки.
- Передней бабки, которая очень похожа на предыдущую деталь. Она устанавливается на поверхности подвижной рамы.
- Ведущего и ведомого механизмов.
- Суппорта, который является упорным узлом для рабочей части устройства.
Вращательный момент от электродвигателя к рабочей части приспособления можно передать несколькими методами. Некоторые люди напрямую ставят рабочую часть на ось электродвигателя. Этот способ поможет сэкономить место и количество запасных частей для станка. Когда этот способ невозможно осуществить, то крутящий момент стоит передавать при помощи разных видов передач. У любого из этих способов есть достоинства и недостатки.
Ременная передача для двигателя считается наиболее дешевой и отличается хорошей надежностью. Чтобы ее сделать, необходимо применить ремень для двигателя, который снят с другого изделия. Главным недостатком ременной передачи является то, что по прошествии некоторого времени ремень перетирается и его необходимо будет заменить. Частота замены зависит от интенсивности работы станка.
Цепная передача часто занимает много места и стоит очень дорого. Ее срок эксплуатации значительно больше, чем у ременного механизма. А фрикционная передача отличается средними характеристиками в отличие от цепного и ременного механизма.
Хороший суппорт для токарного станка по металлу своими руками: чертежи
Суппорт можно считать наиболее важной деталью станка, собранного своими руками, потому что именно он влияет на качество обрабатываемого изделия, количество сил и продолжительность времени, потраченных на ее изготовление. Такая деталь ставится на специализированных салазках, которые двигаются по направляющим, установленным на станине приспособления . Суппорт способен передвигаться в таких направлениях:
- Продольно, когда вся рабочая часть устройства и резец передвигается вдоль обрабатываемой детали. Такое движение применяется для изготовления резьбы в заготовке или при снятии небольшого слоя с поверхности изделия из металла.
- Поперечно, когда движение резца происходит перпендикулярно рабочей оси обрабатываемой детали. Такое движение применяется для точного вытачивания отверстий и различных углублений.
- Наклонно, когда движение резца происходит под различными углами. Такое движение часто используют для вытачивания небольших углублений в обрабатываемой детали.
При изготовлении суппорта небольшого самодельного станка нужно учесть то, что эта деталь подвергается износу из-за сильной вибрации при работе. Вследствие чего, крепления часто расшатываются и между ними появляется люфт, который влияет на качество обрабатываемой заготовки. Чтобы избежать подобных проблем, суппорт нужно часто регулировать и настраивать.
Регулировка суппорта небольшого станка выполняется по люфту, зазорам и нескольким сальникам. Такую работу необходимо производить тогда, когда есть износ винта, который отвечает за движение детали в поперечной, а также в продольной плоскости. Из-за большого трения суппорт может расшататься при больших нагрузках, а это уменьшает точность обработки заготовки. Устранить люфты необходимо путем установки клиньев между кареткой и специальными направляющими. Небольшой зазор заготовки можно устранить с помощью специального закрепляющего болта.
Когда в самодельном станке изнашиваются сальники, то их стоит хорошо промыть и обработать качественной смазкой. При большом износе сальники необходимо поменять на новые детали.
Как собрать хороший мини токарный станок по металлу своими руками
Изготовление хорошего станка, чтобы обрабатывать железо своими руками, всегда выполняется в таком порядке:
При помощи швеллеров и балок из металла изготавливается рама устройства. Когда нужно работать с заготовками большого размера, то и детали для изготовления рамы необходимо брать с расчетом на огромную нагрузку. Например, когда необходимо обработать железную деталь длиной более 60 миллиметров, то минимальная толщина материалов для каркаса обязана быть не менее 4 миллиметров.- На металлические швеллеры ставятся продольные валы со специальными направляющими. Такие валы необходимо приварить сваркой или прикрепить качественными болтами.
- Собирается передняя бабка. Чтобы сделать переднюю бабку самодельного станка, нужно использовать специальный гидравлический цилиндр с минимальной толщиной стенок от 7 миллиметров. В этот цилиндр нужно впрессовать несколько подшипников.
- Далее, нужно проложить вал, для которого применяются подшипники большого размера.
- Потом в гидравлический цилиндр стоит залить жидкость для смазки.
- Ставится шкив и суппорт вместе со специальными направляющими.
- Устанавливается электрический мотор.
А также по многочисленным чертежам видно, что для увеличения устойчивости механизма резца нужно сделать специализированный подручник, а внизу изделия стоит установить небольшую железную полоску. Эта полоска необходима для надежной защиты рабочих узлов устройства от повреждений при обработке заготовок.
Как выбрать мотор для самодельного станка по металлу
Наиболее важной деталью токарного станка, фото и видео сборки которого можно отыскать в сети, считается электродвигатель. С его помощью движется рабочая часть изделия. Таким образом, от мощности этой детали зависит максимальная мощность станка. Этот показатель нужно выбирать в зависимости от габаритов железных заготовок, которые будут в будущем обрабатываться.
Когда нужно обрабатывать на токарном станке маленькие заготовки, то для него хватит электродвигателя с максимальной мощностью до 1,4 киловатта, который можно взять с простой швейной машины или другого электрического устройства. Чтобы работать с большими заготовками, нужен электродвигатель с мощностью до 2 киловатт.
При изготовлении небольшого токарного станка при помощи видео или чертежей нужно учесть, что все электрические узлы устройства нужно хорошо изолировать. Когда нет большого опыта работы с подобным оборудованием, то стоит обратиться за помощью к квалифицированному специалисту. Этим можно обеспечить безопасность сборки и надежность приспособления .
Как быстро собрать самодельный токарный станок по металлу из дрели
Когда нужно сэкономить на запасных частях и просто облегчить изготовление устройства своими руками, то вместо привода можно применять простую электродрель. У подобного способа существуют такие преимущества:
- Изготовление занимает мало времени, потому что дрель очень просто присоединяется к станине станка.
- Транспортировать самодельный станок очень легко, потому что часто необходимо работать с железными деталями на улице или в помещении.
- Большая экономия, потому что электродрель заменяет не только двигатель, но и избавляет от необходимости применения передачи. Дополнительно можно применять различные насадки вместо многих видов инструмента.
Существуют и некоторые недостатки у самодельного устройства из дрели. Довольно сложно осуществить обработку больших заготовок при помощи такого настольного станка, потому что у электродрели маленький крутящий момент и большое количество оборотов. А также можно увеличить мощность станка, если поставить ременную передачу. С ее помощью будет передаваться крутящий момент от электродрели на вал. Однако это сильно усложнит устройство, преимуществом которого считается компактность и простота.
Сборка станка с использованием электродрели целесообразна в тех случаях, когда не нужно обрабатывать большие детали, а вытачиваются лишь мелкие заготовки.
Чтобы собрать подобное изделие, будут необходимы такие же детали, что и для стандартной модели за исключением передней бабки и двигателя. Дрель будет заменять электродвигатель. Из-за компактности станка, станиной может быть верстак или простой стол, на котором будут закрепляться все детали устройства. Электродрель крепится в изделие с помощью струбцины и металлического хомута.
При помощи такого токарного станка есть возможность не только изготавливать различные детали, но и красить заготовки, наматывать проволоку на трансформатор, наносить на поверхность изделий спиральные насечки и выполнять другие необходимые действия. А также если сделать для станка специальную приставку, то появится возможность легко изготавливать маленькие одинаковые изделия.
Токарные станки по металлу
remontoni.guru
Токарный станок по металлу своими руками
У тех мужчин, которые любят мастерить что-то своими руками, со временем возникает желание сделать для своих нужд токарный станок по металлу своими руками. По словам обладателей такого станка, работа на нем приносит радость превращения бесформенных заготовок в изящную точеную вещь, созданную самостоятельно. Однако готовый станок — вещь дорогая, поэтому мы решили рассказать, как же изготовить это оборудование самому.
Для чего токарный станок предназначен
Среди различных станков для обработки металла, токарный был среди первых, которые могли обрабатывать любой материал, металл, пластик или дерево. Данный станок позволяет получить детали различной формы, у которых обработана наружная поверхность, выполнена сверловка отверстий или расточка, нарезана резьба или сделана накатка рифленой поверхности.

Существует много моделей токарных станков, которые выпускают производители оборудования для разных целей. Но промышленные станки, в большинстве случаев, дорогие, отличаются большими габаритами и массой и чересчур сложны, чтобы использовать их в домашних условиях. Отличным альтернативным решением станет собрать токарный станок по металлу своими руками, этот механизм будет небольшим, простым в управлении и позволит быстро делать небольшие детали из металла или дерева.
http://www.youtube.com/watch?v=jxl87wADX0E
Токарный станок дает возможность изготовить колеса, оси и другие детали с круглым сечением. Для домашнего мастера иметь в своем арсенале станок для токарных работ по дереву очень удобно. На нем можно выточить рукоятки для инструментов, различные детали для ремонта мебели, держаки для лопат или грабель. Развиваться можно постепенно, от простых деталей, накапливать опыт, постепенно научиться вытачивать элементы фигурной мебели или детали для изящных парусников.
В токарном станке заготовка фиксируется в горизонтальном положении и станок вращает ее с большой скоростью, далее, двигающийся резец снимает излишки материала, чтобы получить деталь. Хотя сам принцип действия токарного станка кажется простым, чтобы обеспечить надежную работу потребуется точная, согласованная работа множества деталей, составляющих механизм станка.
История появления токарных станков
Первые устройства (довольно простой конструкции) для обработки заготовок из камня или дерева и получения деталей цилиндрической формы появились в Древнем Египте. В дальнейшем конструкция станков усложнялась в течение длительного пути совершенствования, который привел к появлению современного точного и высокопроизводительного токарного оборудования.
Начало производства токарных станков (промышленного и самостоятельного) положило изобретение в 18 веке токарного станка, в котором использовался механически перемещаемый суппорт. Эта конструкция была разработана в России, талантливым механиком и изобретателем Андреем Нартовым. В его станке рейки, шкивы, винты, зубчатые колеса и другие детали были сделаны из металла. Но, как и до этого, станок приводился в движение с помощью маховика, раскручиваемого человеком.

Когда в конце XVIII столетия были изобретены паровая машина, следом, в 19-м, двигатель внутреннего сгорания, а впоследствии и электродвигатель, ручной привод в станках заменили на механический. От одного общего двигателя с помощью вала трансмиссии осуществлялась передача движения к токарным станкам. Сам вал крепили на стене цеха или под потолком, а каждый станок в движение приводился посредством ременной передачи.
В начале прошлого века токарные станки стали индивидуально оборудовать экономичными электродвигателями. Для массового производства стали нужны токарные станки, обеспечивающие высококачественную обработку деталей и высокую производительность производства. Этот спрос стимулировал совершенствование конструкции станков.
Развитие конструкции станков для токарных работ привело к появлению в них ступенчато-шкивного привода, который позволял регулировать количество оборотов шпинделя.Сам шпиндель и ходовой винт стали соединять посредством гитары из зубчатых колес, которую позднее дополнила коробка передач. Следующим усовершенствованием стало разделение передачи движения на суппорт от валика (большинство токарных операций) и ходового винта (нарезка резьбы). Также список новшеств пополнил модернизированный механизм фартука.

Появление быстрорежущей стали ускорило процесс совершенствования токарных станков. Благодаря новой стали, в пять раз возросла скорость резки (если сравнивать, с какой скоростью обрабатывается обычная углеродистая сталь). С целью увеличения разновидностей подач и наращивания числа оборотов в токарных станках подшипники вращения пришли на смену подшипникам качения, а коробка передач в станке еще более усложнилась. Также, поняв важность этого вопроса, инженеры разработали автоматическую смазку деталей станка.
Токарный станок по металлу своими руками: основные узлы
Конструкция самодельного простого токарного станка, позволяющего обрабатывать заготовки состоит из таких деталей: рама, ведущий и ведомый центры, задняя и передняя бабки, упор для резца и электропривод.
Роль рамы — быть опорой для всех элементов и станиной оборудования. Передняя бабка неподвижна и играет роль основы для размещения базового узла вращения.
Передняя рама содержит передаточный механизм, связывающий ведущий центр с электродвигателем. Через ведущий центр заготовка приводится во вращение. Задняя бабка может двигаться параллельно продольной оси рамы. В соответствии с длиной будущей детали, устанавливают заднюю бабку так, чтобы прочно закрепить в ведомом центре конец обрабатываемой заготовки.
Для токарного станка подойдет любой привод но важный параметр: мощность 800- 1500 Вт. Дело в том, что только проблему низких оборотов еще можно решить с помощью передаточного механизма, а мощность двигателя остается одна и та же.
Хотя любой электродвигатель даже 200-ваттный может использоваться в самодельном токарном станке, надо учитывать, что при обработке крупных заготовок слабый двигатель может перегреться и произойдет остановка станка. Как правило, вращение передается с использованием ременной передачи, реже применяется фрикционная передача или цепная.
Для настольного станка иногда применяется конструкция без передаточной системы, патрон и ведущий центр крепятся непосредственно на вал электродвигателя.
Ведомый центр обязательно должен быть с ведущим центром размещен на одной оси, нарушение этого правила приведет к вибрации заготовки.
Условия, обязательные к выполнению: надежная фиксация, точная центровка и стабильное вращение. В станках лобовых заготовка фиксируется с помощью кулачкового патрона, либо планшайбой, в таких станках используется один ведущий центр.
Хотя рама может быть сделана из деревянного бруска, обычно ее собирают из стальных уголков или профилей. Рама должна обеспечить жесткое крепление ведомого и ведущего центров, при проектировании рамы должно быть обеспечено свободное перемещение бабки вдоль продольной оси станка, а также упора для резца.

После того, как все детали вашего самодельного станка установлены в правильном положении, нужно их жестко зафиксировать. Назначение станка, размер и тип заготовок, которые планируется обрабатывать, определяет форму элементов станка и итоговые габариты установки. Кроме этого от предполагаемой работы зависит тип и мощность электродвигателя, который должен создать достаточное усилие, которое будет вращать деталь. Параметры двигателя должны быть подходящими для ожидаемой нагрузки.
Самыми неподходящими для токарного станка являются коллекторные двигатели, для которых характерно увеличение количества оборотов при падении нагрузки. А в этом случае огромная центробежная сила может привести к вылету зафиксированной заготовки, а это очень опасно для того, кто находится рядом со станком.
Впрочем, если вы будете точить небольшие легкие детали, то переживать не стоит, а чтобы заготовка не могла бесконтрольно разогнаться, следует использовать редуктор для электромоторов такого типа.
При работе с заготовками длиной 0.7 метра и диаметром 10 сантиметров, рекомендованный тип двигателя — асинхронный, а мощность: 800 Вт. Для электропривода данного типа характерно стабильность частоты вращения вала, когда есть нагрузка, а при исчезновении нагрузки и заготовке большой массы не происходит запредельного увеличения частоты вращения.
Следует учитывать, что в построенных самостоятельно токарных станках всегда присутствует усилие, направление которого — вдоль вала. Если не использовать ременную передачу, это станет причиной быстрого разрушения подшипников электродвигателя, рассчитанных только на перпендикулярную нагрузку.

Так что, если вал двигателя непосредственно соединен с ведущим центром станка, подшипники электродвигателя будут постоянно находиться под нагрузкой, на которую не рассчитаны. Можно попробовать компенсировать эту продольную нагрузку, сделав в станке с обратной стороны упор вала двигателя (или, в некоторых конструкциях электродвигателя, нужно в задней его части установить между торцом вала и корпусом шарик — импровизированный подшипник).
Ведомый центр находится в задней бабке станка и может быть неподвижным или вращающимся. Неподвижный центр делают из самого обычного болта, у которого конец резьбы заточен под конус. В отверстии в бабке нарезана внутренняя резьба и, вращая заостренный болт, можно фиксировать заготовку между центрами.
У этого болта ход рассчитан на 2-3 сантиметра, а большие расстояния устанавливаются смещением задней бабки по оси станка. Ведомый центр в виде заостренного и отшлифованного болта следует смазать маслом (машинным)непосредственно перед началом работы. Это позволит избежать задымления заготовки.
Как сделать самодельный токарный станок по металлу
Любой умелец может построить токарный станок своими силами. Хоть он и самодельный, такой станок надежен и прост в использовании. Владелец токарного оборудования сможет протачивать или вытачивать новые детали, обтачивать изделия из металла, выполнять работы с деревом или пластмассой, изготовлять детали для ремонта машины, для своего быта или делать сувениры из дерева.
В домашних условиях вы вполне сможете самостоятельно изготовить лобовой токарный станок. Он простой в использовании и обладает достаточно разнообразными функциями. Благодаря легкости замены деталей срок службы такого домашнего оборудования очень велик.Выпилите две деревянные стоики и закрепите в них с помощью гаек болты, отверстия для болтов должны быть нужного диаметра, как и резьба гаек.
http://www.youtube.com/watch?v=vfhF6wVL8-g
Для устойчивости стамески или резца при работе станка, для них делают подручник. Он изготавливается из двух дощечек, соединенных винтами или склеенных. Нижняя дощечка должна быть со скошенным углом и металлической полоской, защищающей стамеску от деформации во время движения, а в горизонтальной дощечке делают прорезь для контроля и управления движением подручника.

Теперь остается привинтить заготовку гайками, обеспечив надежность ее крепления и свободу движения, и ваш настольный токарный станок готов к использованию. Заготовку следует обрабатывать, вращая в обе стороны, для того чтобы получить наилучшую форму детали.
Если у вас нет в наличии электродвигателя небольшой мощности (примерно, 250- 500 Вт) то для самодельного станка можно купить недорогой электромотор, бывший в употреблении, например, вполне подойдет двигатель от швейной машинки. Также, самый компактный токарный станок можно сделать на основе электродрели или шлифмашины.
Бабки, переднюю и заднюю не сложно изготовить самостоятельно, а если что-то непонятно, можно подсмотреть на фотографиях самодельных станков. А раму, кроме деревянного бруска можно сделать из швеллера, уголка или другого сортового металла.
В быту такой токарный станок незаменим. Если на выступающий участок вала электродвигателя насадить абразивный или шлифовальный круг, то на подобном станке, кроме точения деталей, можно будет выполнять заточку инструмента, а также шлифовку или полировку поверхностей. А если закрепить навалу переходник и сверлильный патрон, то ваш станок можно будет использовать для фрезеровки пазов или сверловки отверстий в деталях.

Таким образом, сделав токарный станок по металлу своими руками, вы получите универсального помощника в домашнем хозяйстве. Многообразие способов применения такого станка подталкивает попробовать свои силы. Изготовленные самостоятельно, небольшие токарные станки отлично выполняют задачи домашнего масштаба по точению деталей или их шлифовке.
sdelaj-sam.com
Токарный станок по металлу своими руками: видео, фото
Многие типы станков по металлу, с ЧПУ или без него, приобретают у производителей подобного оборудования только в случаях серийного и крупносерийного производства из-за большой их стоимости. Именно поэтому для домашнего использования и мелкосерийного производства многие решают создать станок своими руками.

Самодельный токарный станок по металлу
Область применения
На протяжении многих лет станок по металлу, с ЧПУ или без подобной системы, использовался для получения деталей различных форм. При этом было создано огромное количество моделей: токарный станок по металлу, фрезерный или сверлильный с ЧПУ или без подобной системы. При этом каждая модель создается под определенные задачи.
Токарный станок по металлу используется для получения деталей цилиндрической формы. ЧПУ позволяет в большой степени автоматизировать процесс. Детали применяются как в бытовых условиях, так и при промышленном производстве. Промышленный станок по металлу, с ЧПУ или с ручным управлением, дорогой и большой. Именно поэтому многие решают создать подобную конструкцию своими руками.
Конструктивные особенности
Для того чтобы создать токарный станок следует знать из чего он состоит. Он состоит из следующих частей:
- рама;
- задняя и передняя бабка;
- электропривод;
- суппорт с держателем для резца;
- двигатель.
Кроме этого конструкция может включать и другие элементы, в зависимости от предназначения токарного станка по металлу.
Самодельный токарный станок Мини токарный станок по металлу Самодельный токарный станок по обработке металлических заготовокРама
Основным предназначением рамы – жестко связывать между собой все элементы. Сделать ее можно своими руками. При этом учитывают следующие нюансы:
- Размеры детали.
- Мощность установленного привода.
- То как расположены составляющие токарного станка по металлу: практически все чертежи токарного станка по металлу схожи, но все же имеют отличия.
Как правило, основание изготавливают из стали, элементы станины связывают между собой сваркой и резьбовым соединением.
Сделать станину можно из стальных уголков или профиля. Своими руками сделать станину для токарного станка довольно просто, главное учитывать правильность, выдерживать параллельность и перпендикулярность.
Передняя бабка
Основным составляющими конструкции можно назвать переднюю бабку, которую также можно сделать самому. Ее основными особенностями является:
- через нее происходит связь ведущего центра и электродвигателя;
- промышленный вариант имеет переднюю часть, которая состоит из коробки скоростей и подач самому сделать подобную конструкцию, которая позволит регулировать скорость вращения шпинделя и силу подачи, довольно сложно.
При создании подобной конструкции своими руками зачастую выходной вал жестко соединен с патроном, в котором крепится заготовка. Изготовление более сложной конструкции требует определенных расчетов. Единственным простым решением, которое позволяет регулировать скорость вращения шпинделя, можно назвать использование ременной передачи и различных по диаметру шкивов. Она имеет корпус для защиты мастера и окружающих от движущихся элементов. Токарный станок должен иметь мощность привода более 800 Вт.
Электродвигатель
В движение шпиндель и другие элементы приводит установленный двигатель. Своими руками создать электродвигатель достаточно сложно, поэтому его придется приобрести. При его покупке следует учесть:
- может использоваться даже 200-ваттный вариант;
- при выборе стоит помнить о том, что слабый двигатель может перегреться от сильной нагрузки;
- если двигатель установлен без ременной передачи, то при продолжительной остановке электродвигатель выйдет из строя.
Мини или настольный вариант подобного оборудования может быть без передачи. Это связано с тем, что токарный настольный вариант исполнения не предназначен для обработки больших деталей. Настольный токарный станок своими руками по металлу создается с учетом того, что вдоль направления вала электродвигателя также присутствует усилие. При условии длительной обработки происходит разрушение подшипников.
Создавая мини вариант своими руками не рекомендуется использовать коллекторный электродвигатель. Это связано с тем, что при падении нагрузки значительно повышается количество оборотов. Создаваемая центробежная сила даже при использовании мини кулачкового патрона может привести к вылету заготовки.
Задняя бабка и резцедержатель
Часто в конструкцию включают блок для крепления заготовки со второго конца, который используется для лучшей фиксации. Сделать ее можно самостоятельно с учетом следующих нюансов:
- она должна быть расположена параллельно длинной стороне станины;
- для того чтобы можно было обрабатывать как мини и так и большие заготовки она должна передвигаться вдоль станины.
Однако ее может и не быть. Все зависит от того, будет ли обрабатываться мини или большая заготовка.
Резцедержатель сделать самому можно. При рассмотрении данного устройства стоит помнить, что резец должен крепиться крепко и устанавливаться под различным углом к обрабатывающей поверхности.
Процесс сборки
Если не использовать уже испробованные чертежи, тогда следует провести разработку своего проекта.

Чертеж общего вида самодельного токарного станка по металлу
Возможность создания вариант с ЧПУ не рассматривается, а вот обычный вариант можно сконструировать следующим образом:
- создаем чертеж с плановым расположением всех элементов, создаем посадочные места для них;
- подираем электродвигатель и устанавливаем его;
- согласно расчетам создаем ременную передачу в передней бабке;
- соединяем привод и ведомый центр, крепим кулачковый патрон;
- крепим резцедержатель, под который создаются салазки для подачи резца;
- также создаются салазки для передвижения задней бабки.
Оборудование для точной обработки, к примеру, с ЧПУ, создается при помощи точного оборудования.
Если вы нашли ошибку, пожалуйста, выделите фрагмент текста и нажмите Ctrl+Enter.
stankiexpert.ru













