Содержание
Как сделать диммер на 220 и 12 В: схемы, видео, инструкция
- Статья
- Видео
Очень часто возникает потребность в регулировании яркости лампы в пределах определенной величины, это как правило, от 20% до 100%. Выставлять яркость меньше не имеет смысла, поскольку большинство ламп просто не работают в таком режиме или дают мизерное количество света, которого хватит только на свечение лампы, но при этом ничего освещать она не будет. Можно пойти в магазин и купить готовый прибор, но сейчас цены на данные устройства очень завышены и не соответствуют получаемому изделию. Так как мы с вами мастера на все руки, то будем делать данные девайсы самостоятельно. Сегодня рассмотрим несколько схем, благодаря которым вам станет понятно, как сделать диммер на 12 В и 220 В своими руками.
- На симисторе
- На тиристорах
- Конденсаторный светорегулятор
- На микросхеме
На симисторе
Для начало рассмотрим схему светорегулятора, работающего от сети 220 Вольт.
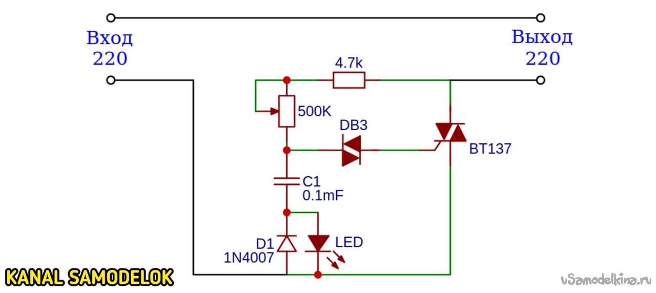
Данный тип устройств работает по принципу фазового смещения открывания силового ключа. Сердцем диммера является RC цепочка. Узел формирования управляющего импульса, в качестве которого выступает симметричный динистор. И собственно, сам силовой ключ, управляющий нагрузкой — симистор.
Рассмотрим работу схемы. Резисторы R1 и R2 образуют делитель напряжения. Так как R1 является переменным, то с его помощью меняется напряжение в цепочке R2C1. Динистор DB3 включен в точку между ними и при достижении напряжения порога его открывания на конденсаторе C1 он срабатывает и подает импульс на силовой ключ — симистор VS1. Он открывается и пропускает через себя ток, тем самым на выходе мы получаем напряжение. От положения регулятора зависит, какая часть волны пойдет на лампу. Чем быстрее заряжается конденсатор, тем быстрее открывается ключ, и большая часть волны и мощности пойдет на нагрузку. Таким образом, схема буквально отрезает часть синусоиды. Ниже представлен график работы устройства.
Значение (t*) — это время, за которое конденсатор заряжается до порога открывания силового элемента. Эта схема диммера проста и легко повторяется на практике. Лучше всего она работает на лампах накаливания, из-за того что спираль в лампе имеет инертность, а вот со светодиодными и иными лампами могут возникнуть проблемы, поэтому необходимо перед окончательной установкой проверить работоспособность схемы конкретно на ваших потребителях. Рекомендуем просмотреть предоставленное ниже видео, в котором наглядно показывается, как сделать светорегулятор на симисторе:
Симисторный регулятор мощности на 1000 Вт
На тиристорах
Вы можете не покупать симистор, а сделать простой светорегулятор на тиристорах, которые можно легко достать из старой неработающей аппаратуры и плат, по типу телевизоров, магнитофонов и т.д. Схема немного отличается от предыдущей, тем что для каждой полуволны стоит свой тиристор, и тем самым свой динистор для каждого ключа.
Кратко опишем процесс регулирования. Во время положительной полуволны емкость C1 заряжается через цепочку R5, R4, R3. При достижении порога открывания динистора V3, ток через него попадает на управляющий электрод тиристора V1. Ключ открывается, пропуская положительную полуволну через себя. При отрицательной фазе тиристор запирается, а процесс повторяется для другого ключа V2 и конденсатора С2, который заряжается через цепочку R1, R2, R5.
Фазные регуляторы — димеры можно использовать не только для регулировки яркости ламп накаливания, а также для регулирования скорости вращения вентилятора вытяжки, можно сделать приставку для паяльника и регулировать таким образом температуру его жала для улучшения качества пайки.
Видео инструкция по сборке:
Сборка тиристорного диммера
Важно! Данный способ регулирования не подходит для работы с люминесцентными, экономными компактными и светодиодными лампами из-за особенностей их работы.
Конденсаторный светорегулятор
На ряду с плавными регуляторами в быту получили распространение конденсаторные диммеры. Работа данного девайса основана на зависимости передачи переменного тока от величины емкости. Чем больше емкость конденсатора, тем больший ток он пропускает через себя. Таким образом, с помощью конденсатора можно уменьшить мощность, подаваемую на лампу, однако этот способ не позволяет производить регулировку плавно. Данный вид самодельного диммера может быть довольно компактным, все зависит от требуемых параметров яркости, а следовательно, от емкости конденсатора, которая связана с его размерами.
Как видно из схемы, есть три положения: 100% мощности, через гасящий конденсатор (уменьшение мощности) и выключено. В устройстве используется неполярный бумажный конденсатор, который можно раздобыть в старой технике. О том, как правильно выпаивать радиодетали из плат мы рассказали в соответствующей статье!
Ниже приведена таблица, связывающая емкость и напряжение на лампе.
На основе этой схемы можно самому собрать простой ночник и с помощью тумблера или переключателя управлять яркостью светильника.
На микросхеме
Для регулирования мощностью, подаваемой на нагрузку в цепях постоянного тока 12 Вольт, часто используют интегральные стабилизаторы — КРЕНки. Применение микросхемы упрощает разработку и монтаж устройств за счет малого числа радиодеталей. Такой самодельный диммер прост в настройке и обладает некоторыми функциями защиты.
С помощью переменного резистора R2 создается опорное напряжение на управляющем электроде микросхемы. В зависимости от выставленного параметра регулируется значение на выходе от максимума в 12 В до минимума в десятые доли Вольта. Недостаток данных регуляторов в малом КПД и максимально возможной мощности подключаемой нагрузки, в следствие этого, есть необходимость установки дополнительного радиатора для хорошего охлаждения КРЕН, поскольку часть энергии выделяется на нем в виде тепла. Однако, это идеальный вариант для маломощных схем постоянного тока и низкого напряжения, за счет своей простоты и универсальности.
Данный регулятор освещения был повторен мной и отлично справлялся со светодиодной лентой 12 Вольт, длиною три метра и давал возможность регулировать яркость светодиодов от ноля до максимума.
Отличный вариант — диммер на интегральном таймере 555, который управляет силовым ключом КТ819Г, короткими ШИМ импульсами. Установив высокую частоту работы схемы, можно избавиться от мерцания, которое часто возникает из-за дешевых покупных диммеров и вызывает быструю усталость и раздражение глаз у человека.
В таком режиме транзистор пребывает в двух состояниях: полностью открыт или полностью закрыт. Падение напряжения на нем минимальны, что позволяет подключать более мощную нагрузку и использовать схему с малым радиатором, что по сравнению с предыдущей схемой с регулятором на КРЕН, выгодно отличается по габаритам и экономичности.
Напоследок рекомендуем просмотреть еще один мастер-класс, в котором показано, как можно сделать регулятор освещения для светодиодов:
Изготовление регулятора света на 12 Вольт
youtube.com/embed/1WjnoPdrBqI» allowfullscreen=»allowfullscreen»>
Вот собственно и все идеи сборки простого светорегулятора в домашних условиях. Теперь вы знаете, как сделать диммер своими руками на 220 и 12В.
Будет интересно прочитать:
- Светодиодный прожектор своими руками
- Ремонт диммера в домашних условиях
- Как меньше платить за свет
Симисторный регулятор мощности на 1000 Вт
Сборка тиристорного диммера
Изготовление регулятора света на 12 Вольт
Adblock
detector
5 схем сборки самодельного светорегулятора — Портал о строительстве, ремонте и дизайне
- Статья
- Видео
Очень часто возникает потребность в регулировании яркости лампы в пределах определенной величины, как правило, от 20 до 100% яркости.
Меньше 20 % не имеет смысла делать, поскольку светового потока лампа не даст, а произойдет только слабое свечение, которое может пригодится разве что для декоративных целей. Можно пойти в магазин и купить готовое изделие, но сейчас ценны на данные устройства мягко говоря неадекватные. Так как мы с вами мастера на все руки, то будем делать данные девайсы собственноручно. Сегодня рассмотрим несколько схем, благодаря которым вам станет понятно, как сделать диммер на 12 и 220 В своими руками.
На симисторе
Для начало рассмотрим схему светорегулятора, работающего от сети 220 Вольт. Данный тип устройств работает по принципу фазового смещения открывания силового ключа. Сердцем диммера является RC цепочка определенного номинала. Узел формирования управляющего импульса, симметричный динистор. И собственно сам силовой ключ, симистор.
Рассмотрим работу схемы. Резисторы R1 и R2 образуют делитель напряжения. Так как R1 является переменным, то с его помощью меняется напряжение в цепочке R2C1.
Динистор DB3 включен в точку между ними и при достижении напряжения порога его открывания на конденсаторе C1 он срабатывает и подает импульс на силовой ключ симистор VS1. Он открывается и пропускает через себя ток, тем самым включает сеть. От положения регулятора зависит в какой момент волны фазы откроется силовой ключ. Это может быть и 30 Вольт в конце волны, и 230 Вольт в пике. Тем самым подводя часть напряжения в нагрузку. На графике ниже изображен процесс регулирования освещения диммером на симисторе.
На данных графиках значение (t*), это время за которое конденсатор заряжается до порога открывания, и чем быстрее он набирает напряжение, тем раньше включается ключ, и больше напряжение оказывается на нагрузке. Эта схема диммера проста и легко повторяется на практике. Рекомендуем просмотреть предоставленное ниже видео, в котором наглядно показывается, как сделать светорегулятор на симисторе:
Симисторный регулятор мощности на 1000 Вт
На тиристорах
При наличии кучи старых телевизоров и прочих вещей пылящихся в закромах очумельцев, можно не покупать симистор, а сделать простой светорегулятор на тиристорах.
Схема немного отличается от предыдущей, тем что для каждой полуволны стоит свой тиристор, и тем самым свой динистор для каждого ключа.
Кратко опишем процесс регулирования. Во время положительной полуволны емкость C1 заряжается через цепочку R5, R4, R3. При достижении порога открывания динистора V3, ток через него попадает на управляющий электрод V1. Ключ открывается пропуская положительную полуволну через себя. При отрицательной фазе тиристор запирается, а процесс повторяется для другого ключа V2, заряжаясь через цепочку R1, R2, R5.
Фазные регуляторы — димеры можно использовать не только для регулировки яркостью ламп накаливания, а также для регулирования скорости вращения вентилятором вытяжки, сделать приставку для паяльника и регулировать таким образом температуру его жала. Также с помощью самодельного диммера можно регулировать обороты дрели или пылесоса и много других применений.
Видео инструкция по сборке:
Сборка тиристорного диммера
youtube.com/embed/n_tEqPQosPE» allowfullscreen=»allowfullscreen»>
Важно! Данный способ регулирования не подходит для работы с люминесцентными, экономными компактными и светодиодными лампами.
Конденсаторный светорегулятор
На ряду с плавными регуляторами в быту получили распространение конденсаторные устройства. Работа данного девайса основана на зависимости передачи переменного тока от величины емкости. Чем больше емкость конденсатора, тем больше ток он пропускает через свои полюса. Данный вид самодельного диммера может быть довольно компактным, и зависит от требуемых параметров, емкости конденсаторов.
Как видно из схемы, есть три положения 100% мощности, через гасящий конденсатор и выключено. В устройстве используется неполярные бумажные конденсаторы, которые можно раздобыть в старой технике. О том, как правильно выпаивать радиодетали из плат мы рассказали в соответствующей статье!
Ниже приведена таблица с параметрами емкость-напряжение на лампе.
На основе этой схемы можно самому собрать простой ночник, с помощью тумблера или переключателя управлять яркостью светильника.
На микросхеме
Для регулирования мощностью на нагрузку в цепях постоянного тока 12 Вольт, часто используют интегральные стабилизаторы — КРЕНки. Применение микросхемы упрощает разработку и монтаж устройств. Такой самодельный диммер прост в настройке и обладает функциями защиты.
С помощью переменного резистора R2 создается опорное напряжение на управляющем электроде микросхемы. В зависимости от выставленного параметра регулируется значение на выходе от максимума в 12В до минимума в десятые доли Вольта. Недостаток данных регуляторов в необходимости установки дополнительного радиатора для хорошего охлаждения КРЕН, поскольку часть энергии выделяется на нем в виде тепла.
Данный регулятор освещения был повторен мной и отлично справлялся со светодиодной лентой 12 Вольт, длиною три метра и возможностью регулировки яркости светодиодов от ноля до максимума.
Для не очень ленивых мастеров можно предложить сделать диммер дома на интегральном таймере 555, который управляет силовым ключом КТ819Г, короткими ШИМ импульсами.
В таком режиме транзистор пребывает в двух состояниях: полностью открыт или полностью закрыт. Падение напряжения на нем минимальны и позволяют использовать схему с малым радиатором, что по сравнению с предыдущей схемой с регулятором КРЕН, выгодно отличается по габаритам и экономичности.
Напоследок рекомендуем просмотреть еще один мастер-класс, в котором показано, как можно сделать регулятор освещения для светодиодов:
Изготовление регулятора света на 12 Вольт
Вот собственно и все идеи сборки простого светорегулятора в домашних условиях. Теперь вы знаете, как сделать диммер своими руками на 220 и 12В.
Симисторный регулятор мощности на 1000 Вт
com/embed/7DXMjbQkhXw» allowfullscreen=»allowfullscreen»>
Сборка тиристорного диммера
Изготовление регулятора света на 12 Вольт
Как собрать диммер своими руками
Согласитесь, иногда возникает необходимость отрегулировать яркость лампы. Ну правда, не всегда требуется, чтобы он светил на полную мощность. Если вечером вы собрались с семьей в холле для беседы, достаточно приглушенного освещения. Зачем включать люстру на полную мощность, гонять лишние киловатт-часы и переплачивать за потребление электроэнергии. В этом случае выручает диммер, иначе это устройство называют диммером. С его помощью можно изменять электрическую мощность лампы и тем самым регулировать яркость света. Многие мужчины, знатоки электротехники и любители радиоэлектроники, собирают диммер своими руками.
Но тут возникает вполне закономерный вопрос, а зачем вам самодельный диммер, если можно пойти в магазин электротоваров и купить заводской прибор? Во-первых, цена заводского регулятора, прямо скажем, не маленькая. Но это не так уж плохо. Иногда возникает необходимость установить диммер, например, для настольной лампы. И если вы пойдете в магазин, то не факт, что вы найдете прибор нужного вам размера, чтобы его можно было впихнуть в такой осветительный прибор. Так что проблема сборки диммера в домашних условиях своими руками до сих пор актуальна и поэтому мы посвятим ей эту статью.
Содержание
- Основное назначение и суть диммера
- Элементы схемы
- Принцип работы
- Сборка схемы
- Соединение
Основное назначение и суть диммера
Несколько слов о том, что такое диммер и зачем он вообще нужен?
Это электронное устройство, предназначенное для изменения электрической мощности. Чаще всего таким образом изменяют яркость осветительных приборов.
Работает с лампами накаливания и светодиодами.
Электрическая сеть подает ток синусоидальной формы. Чтобы в лампочке менялась яркость, на нее надо подать отсечку синусоиды. Срезать передний или задний фронт волны можно с помощью тиристоров, установленных в цепи диммера. Это способствует снижению подаваемого на светильник напряжения, что соответственно приводит к снижению мощности и яркости света.
Важно помнить! Эти контроллеры создают электромагнитные помехи. Для их уменьшения в схему диммера включают индуктивно-емкостной фильтр или дроссель.
Элементы схемы
Начнем с того, что определимся, какие элементы нам понадобятся для схемы диммера.
На самом деле схемы достаточно простые и не потребуют дефицитных деталей; разобраться в них сможет даже неопытный радиолюбитель.
- Симистор. Это триодный симметричный тиристор, по-другому его еще называют симистор (название происходит от английского языка). Это полупроводниковый прибор тиристорного типа.
Используется для коммутационных операций в электрических цепях 220 В. Симистор имеет два основных силовых вывода, к которым последовательно подключается нагрузка. Когда симистор закрыт, проводимости в нем нет и нагрузка отключена. Как только на него подается отпирающий сигнал, между его электродами появляется проводимость и включается нагрузка. Его основной характеристикой является ток удержания. Пока через его электроды протекает ток, превышающий это значение, симистор остается открытым. - Динистор. Он относится к полупроводниковым приборам, относится к типу тиристоров и имеет двунаправленную проводимость. Если рассматривать принцип его работы подробнее, то динистор представляет собой два диода, включенных навстречу друг другу. Динистор по-другому еще называют диаком.
- Диод. Это электронный элемент, который в зависимости от того, какое направление принимает электрический ток, имеет различную проводимость. Он имеет два электрода – катод и анод. Когда на диод подается прямое напряжение, он открыт; в случае обратного напряжения диод закрыт.

- Неполярный конденсатор. Главное их отличие от других конденсаторов в том, что их можно включать в электрическую цепь без соблюдения полярности. Во время работы допускается смена полярности.
- Постоянные и переменные резисторы. В электрических цепях они считаются пассивным элементом. Постоянный резистор имеет определенное сопротивление, у переменного это значение может меняться. Основное их назначение — преобразование силы тока в напряжение или наоборот напряжения в силу тока, поглощение электрической энергии, ограничение силы тока. Переменный резистор еще называют потенциометром, он имеет подвижный отводной контакт, так называемый бегунок.
- Светодиод для индикатора. Это полупроводниковый прибор с электронно-дырочным переходом. Когда через него проходит электрический ток в прямом направлении, он создает оптическое излучение.
В схеме симисторного диммера используется управление фазой. При этом основным регулирующим элементом является симистор, от его параметров зависит мощность нагрузки, которую можно подключить к этой цепи.
Например, при использовании симистора ВТ 12-600 можно регулировать мощность нагрузки до 1 кВт. Если вы хотите сделать свой диммер на более мощную нагрузку, то соответственно выбирайте симистор с большими параметрами.
Принцип работы
Прежде чем сделать диммер своими руками, давайте разберемся, в чем заключается суть его работы.
- При подключении схемы к электрической цепи она получает из сети переменное напряжение 220 В. При возникновении положительного полупериода синусоиды напряжения через резисторы и один из диодов начинает протекать ток, за счет чего конденсатор заряжается.
- Как только напряжение достигает параметра, необходимого для пробоя динистора, через динистор и через управляющий электрод симистора начинает протекать ток.
- Этот ток помогает симистору открыться. Лампы, которые соединены с ним последовательно, включаются в цепь и загораются.
- Как только синусоида напряжения пройдет через ноль, симистор закроется.

- Когда синусоидальное напряжение достигает отрицательного полупериода, весь процесс повторяется аналогичным образом.
- Момент открытия симистора прямо пропорционален величине активного сопротивления в цепи. При изменении этого сопротивления время открытия симистора может изменяться в каждом полупериоде. Это позволит плавно изменить потребляемую мощность лампочки и яркость ее свечения.
Более подробно принцип работы и последующая сборка устройства описаны в этом видео:
Сборка схемы
Теперь приступим к сборке нашего диммера. Имейте в виду, что схема может быть навесной, то есть с использованием соединительных проводов. Но лучше будет использовать печатную плату. Для этой цели можно взять фольгированный текстолит (размера 35х25 мм будет достаточно). Диммер, собранный на симисторе с использованием печатной платы, позволяет минимизировать размеры блока, он будет иметь небольшие габариты, а это дает возможность установить его вместо обычного выключателя.
Перед началом работы запаситесь канифолью, припоем, паяльником, кусачками и соединительными проводами.
Далее собирается схема регулятора по следующему алгоритму:
- Нарисуйте схемы соединений на плате. Просверлите отверстия для выводов соединяемых элементов. С помощью нитрокраски нарисуйте на схеме дорожки, а также определите расположение монтажных площадок для пайки.
- Далее плату необходимо протравить. Приготовьте раствор хлорного железа. Возьмите посуду так, чтобы доска не плотно лежала на дне, а уголками как бы упиралась в ее стенки. Во время травления периодически переворачивайте доску и перемешивайте раствор. В случае, когда это нужно сделать быстро, подогрейте раствор до температуры 50-60 градусов.
- Следующий этап – лужение платы и ополаскивание ее спиртом (ацетон использовать нежелательно).
- Установите элементы в сделанные отверстия, обрежьте лишние концы и с помощью паяльника припаяйте все контакты.

- Припаяйте потенциометр с помощью соединительных проводов.
- А теперь собранная схема диммера тестируется для ламп накаливания.
- Включите лампочку, подключите цепь и поверните ручку потенциометра. Если все собрано правильно, то яркость лампы должна измениться.
Подключение
Как правило, вместо выключателей устанавливаются диммеры. То есть он монтируется на разрыв фазы последовательно с нагрузкой. Это, кстати, очень важно, как и при подключении выключателя. Ни в коем случае не перепутайте фазу и ноль, если настроить диммер на обрыв ноля, электронная схема выйдет из строя. Во избежание ошибок, перед установкой с помощью индикаторной отвертки точно убедитесь — где ваша фаза, а где ноль.
Далее алгоритм следующий:
- Обесточить рабочее место, отключив вводной автомат для комнаты или квартиры.
- Извлеките переключатель из монтажной коробки.
- Подайте напряжение и точно определите фазу и ноль на отключенных проводах.
Отметьте обнаруженную фазу каким-либо образом (маркером или лентой). - Снова отключите входное питание. Входные клеммы диммера подключаем к фазному проводу, выходные клеммы подключаем к нагрузке. У заводских регуляторов клеммы маркированы, в этом случае подключение должно производиться согласно маркировке. А вот для диммеров принципиальной разницы нет, поэтому подключение фаз может быть произвольным.
- Самодельный диммер для светодиодных ламп на 220 В устанавливается таким же образом. Единственное принципиальное отличие в том, что он должен быть установлен перед контроллером этих ламп. То есть выход с диммера идет на вход контроллера.
Собранный своими руками диммер можно использовать не только как регулятор мощности на симисторе для освещения. С его помощью можно изменить скорость вытяжного вентилятора или отрегулировать температуру жала паяльника. Так что если вы дружите с электроникой, вам вполне по силам сделать симисторный регулятор. Возможно, это не сильно облегчит вам жизнь, но то, что вы создали это сами, уже хорошо.
Диммер Лето | Современная кухня димсам
Вместе с нашими шеф-поварами из лучших ресторанов, таких как Тим Хо Ван и TAO, мы готовим лучшие димсамы из разных регионов Китая. Внедряя инновации и модернизируя искусство, мы возвращаем ваши теплые воспоминания в Америку — как вчера, но лучше.
- НАША ИСТОРИЯ
- Пресса
- Меню
- Кейтеринг
- Заказать сейчас
- Программа лояльности
- ПОДАРОЧНЫЕ КАРТЫ
- Бронирование
- Свяжитесь с нами
НАША ИСТОРИЯ
Кенни вырос в традиционной азиатской семье в Америке. В семейном ресторане будние дни обычно самые загруженные. Только по выходным он мог сесть и выпить димсам вместе с родителями. Такая традиция была неотъемлемой частью его детских воспоминаний. В 1992 году Кенни стал со-управляющим семейным рестораном. Управлять оживленным китайским рестораном в северной части штата Нью-Йорк было непростой задачей.
Каждый день Кенни приходилось ехать по 2 часа после школы в ресторан, обслуживать волны голодных клиентов, а потом возвращаться домой поздно и потным, с запахом жира и еды. Это были три года напряженной работы, и, в конце концов, Кенни был вынужден уйти и продолжить карьеру ИТ-специалиста. Затем он постепенно понял, что многие рестораны димсам исчезли. Одно за другим — многие из его любимых мест, где можно было купить димсам, вместе с его драгоценными детскими воспоминаниями бесследно исчезли. Люди говорили, что это было связано с ростом расходов и жесткой конкуренцией, но Кенни мало что знал, пока не принял одно из самых важных решений в своей жизни.В год работы ИТ-специалистом Кенни начал подумывать об открытии китайского ресторана, но на этот раз он был один на один с работой на полную ставку. когда он был молод, больше не имеет смысла. Труд, арендная плата и многие расходы постоянно увеличивались, что усложняло повседневную работу. Более того, категории и стилю димсама в США также не хватает креативности, и они остаются неизменными на протяжении десятилетий, в то время как в Азии они постоянно развиваются.
посвятил себя ресторанному бизнесу. Именно тогда он понял: переключившись на небольшие рестораны с простым дизайном кухни, он мог бы больше сосредоточиться на еде и обслуживании. сумма кухонь с севера и юга Китая. И, возвышая и модернизируя кухню со всем своим опытом в отрасли, Кенни делится своими теплыми воспоминаниями и возвращает димсам в Америку — как вчера, но лучше.
- Нажмите
наше меню
- Новости и обновления
Новости и обновления
Эй, Бруклин! Помните, когда вы в последний раз пробовали димсам? — Теперь вы можете забыть об этом! Вы все приглашены в эту субботу на наше торжественное открытие, чтобы отпраздновать открытие нашего совершенно нового ресторана Dim Sum нового поколения в Бруклине. Dim Sum, как кухня, является основным продуктом китайской кулинарной культуры во всем мире. Он постоянно развивался в Азии. но в Америке он остается прежним и лишен творчества на протяжении десятилетий. Вот почему мы берем дело в свои руки.
Как специалист и новатор искусства Дим Сам в Америке, мы успешно подняли и обновили кухню до современных стандартов, оставаясь верными первоисточнику и аутентичному вкусу. .Но дело не только в самой еде — мы переработали сервис и дизайн традиционных димсим-ресторанов. С нашими симпатичными (но очень эффективными) роботами-слугами и нашим революционным дизайном интерьера мы обещаем вам уникальный обед с дим-сам, которого вы никогда раньше не видели! В качестве благодарности вы получите нашу бесплатную и вкусную жареную булочку со свининой, когда вы присоединяйтесь к программе лояльности! Минимальная покупка требуется на некоторое время, пока запасов хватит.Dimmer & Summer
- Свяжитесь с нами
Свяжитесь с нами
Dimmer & Summer
Адрес: 196 Smith St, Brooklyn, NY 11201
Телефон: (929) 295-9999
SEEDENTING 99 9019 9019.
— Комната в мезонине: 12 гостей
— Бар: 6 гостей
— Всего: 49 гостей* Для групп от 5 человек, пожалуйста, позвоните в наш ресторан, чтобы узнать о наличии мест.
Используется для коммутационных операций в электрических цепях 220 В. Симистор имеет два основных силовых вывода, к которым последовательно подключается нагрузка. Когда симистор закрыт, проводимости в нем нет и нагрузка отключена. Как только на него подается отпирающий сигнал, между его электродами появляется проводимость и включается нагрузка. Его основной характеристикой является ток удержания. Пока через его электроды протекает ток, превышающий это значение, симистор остается открытым.


Отметьте обнаруженную фазу каким-либо образом (маркером или лентой).